BD-QSFP28-CD10 is the optical transceiver that integrates the transmit and receive path onto one module. On the transmit side, four lanes of serial data streams are recovered, retimed,and passed on to four laser drivers, which control four electric-absorption modulated lasers (EMLs) with 1296, 1300, 1305, and 1309 nm center wavelengths. The optical signals are then multiplexed into a single-mode fiber through an industry-standard LC connector.On the receive side, four lanes of optical data streams are optically demultiplexed by an integrated optical demultiplexer. Each data steam is recovered by a PIN photodetector and transimpedance amplifier, retimed, and passed on to an output driver. This module features a hot-pluggable electrical interface, low power consumption, and 2-wire serial interface.

Features

- Duplex LC receptacle optical interface
- Single +3.3V power supply
- Hot-pluggable QSFP28 MSA form factor
- 4x25G Electrical Serial Interface
- Compliant with 4x28G(CEI-28G-VSR)
- AC coupling of CML signals
- Transmitter: cooled 4x25Gb/s LAN WDM EML TOSA (1295.56, 1300.05, 1304.58, 1309.14nm)
- Receiver: 4x25Gb/s PIN ROSA
- Low power dissipation(Max:6W)
- Built in digital diagnostic function
- Operating case temperature range:0℃ to 70℃
- Compliant with 100GBASE-LR4
- I2C Communication Interface
Specification
Parameter
|
Symbol
|
Min
|
Typ
|
Max
|
Unit
|
Notes
|
Transmitter
|
|
Signaling rate per lane
|
DRPL
|
25.78125 ± 100 ppm
|
Gb/s
|
|
|
Differential input return loss (min)
|
RLd(f)
|
9.5 – 0.37f, 0.01≤f<8
4.75 – 7.4log10(f/14), 8 ≤f<19
|
dB
|
|
|
Differential to common mode input
return loss (min)
|
RLdc(f)
|
22-20(f/25.78), 0.01≤f<12.89
15-6(f/25.78), 12.89≤f<19
|
dB
|
|
|
Differential termination mismatch
|
Tm
|
|
|
10
|
%
|
|
|
Eye width
|
Ew
|
|
|
0.46
|
UI
|
|
|
Applied pk-pk sinusoidal jitter
|
Ppj
|
Per IEEE 802.3bm
|
|
|
|
Eye height
|
Eh
|
|
95
|
|
mV
|
|
|
DC common mode voltage
|
DCv
|
-350
|
|
2850
|
mV
|
|
|
Receiver
|
|
Signaling rate per lane
|
DRPL
|
25.78125 ± 100 ppm
|
Gb/s
|
|
|
Differential data output swing
|
Vout,pp
|
400
|
|
800
|
mV
|
|
|
Eye width
|
Ew
|
0.57
|
|
|
UI
|
|
|
Vertical eye closure
|
|
|
|
5.5
|
dB
|
|
|
Differential output return loss (min)
|
RLd(f)
|
9.5 – 0.37f, 0.01≤f<8
4.75 – 7.4log10(f/14), 8 ≤f<19
|
dB
|
|
|
Common to differential mode conver- sion return loss (min)
|
RLdc(f)
|
22-20(f/25.78), 0.01≤f<12.89
15-6(f/25.78), 12.89≤f<19
|
dB
|
|
|
Differential termination mismatch
|
Tm
|
|
|
10
|
%
|
|
|
Transition time, 20% to 80%
|
Tr,Tf
|
12
|
|
|
ps
|
|
Applications
- 100GBASE-LR4
- Infiniband QDR and DDR interconnects
- 100G Datacom connections
Standards
- Compliant with IEEE 802.3ba
- Compliant with QSFP28 MSA hardware specifications
- Compliant with RoHS
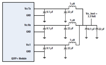
Recomemended Power Supply Filter

Ordering Information
|
Part Number
|
Description
|
|
BD-QSFP28-LR4
|
QSFP28 LR4 10km, 0~70℃, with Digital Diagnostic Monitor
|