BD-QSFP28-CDS1 optical transceiver integrates the transmit and receive path onto one module. It converts parallel electrical input signals into parallel optical signals, by a driven Vertical Cavity Surface Emitting Laser (VCSEL) array. The transmitter module accepts electrical input signals compatible with Common Mode Logic (CML) levels. All input data signals are differential and internally terminated. The receiver module converts parallel optical input signals via a photo detector array into parallel electrical output signals. The reCML) levels. All data signals are differential and support a data rates up to 27.9525Gb/s per channel.ceiver module outputs electrical signals are also voltage compatible with Common Mode LogicOn This module features a hot-pluggable electrical interface, low power consumption, and 2-wire serial interface.
Features
 |
Fiber |
Lane |
| 1 |
RX0 |
| 2 |
RX1 |
| 3 |
RX2 |
| 4 |
RX3 |
| 5678 |
Not used |
| 9 |
TX3 |
| 10 |
TX2 |
| 11 |
TX1 |
| 12 |
TX0 |

- MTP/MP0 optical connector
- Single +3.3V power supply
- Hot-pluggable QSFP28 MSA form factor
- Up to 100m OM4 MMF Distance
- 4x28G Electrical Serial Interface (CEI-28G-VSR)
- AC coupling of CML signals
- Low power dissipation(Max:3.5W)
- Built in digital diagnostic function
- Operating case temperature range: 0℃ to 70℃
- Compliant with 100GBASE-SR4
- I2C Communication Interface
Specification
Parameter
|
Symbol
|
Unit
|
Min
|
Typ
|
Max
|
Notes
|
Transmitter
|
|
Signaling rate, each lane
|
DRpl
|
Gb/s
|
25.78125 ±100 ppm
|
1
|
|
Center Wavelengthe
|
λ
|
nm
|
840
|
850
|
860
|
|
|
RMS Spectral Width
|
|
nm
|
|
0.6
|
|
|
|
Average launch power, each lane
|
Pavg
|
dBm
|
-8.4
|
|
2.4
|
|
|
Optical modulation amplitude, each lane (OMA)
|
OMA
|
dBm
|
-6.4
|
|
3
|
|
|
Extinction ratio
|
ER
|
dB
|
2
|
|
|
|
|
Average Launch Power of OFF
Transmitter, per Lane
|
RIN
|
dBm
|
|
|
-30
|
|
|
Encircled Flux
|
FLX
|
dBm
|
>86% at 19 um
<30% at 4.5 um
|
|
|
Optical return loss tolerance
|
|
dB
|
|
|
12
|
|
|
Transmitter eye mask {X1, X2, X3, Y1, Y2, Y3}
|
|
|
{0.3,0.38,0.45,0.35,0.41,0.5}
|
2
|
|
Receiver
|
|
Receive Rate for Each Lane
|
DRpl
|
Gb/s
|
25.78125 ±100 ppm
|
3
|
|
Four Lane Wavelength Range
|
λ
|
nm
|
840
|
|
860
|
|
|
Overload Input Optical Power
|
Pmax
|
dBm
|
3.4
|
|
|
|
|
Average Receive Power for Each
Lane
|
Pin
|
dBm
|
-10.3
|
|
2.4
|
4
|
|
Receiver Sensitivity(OMA)per lane
|
Psens
|
dBm
|
|
|
-5.2
|
|
|
Recevier Reflectance
|
Rfl
|
dB
|
|
|
-12
|
|
|
Receiver Eye MaskDefinition {X1, X2, X3, Y1, Y2,Y3}
|
|
{0.28,0.5,0.5,0.33,0.33,0.4}
|
|
5
|
|
Los De-Assert
|
Pd
|
dBm
|
|
|
-13
|
|
|
Los Assert
|
Pa
|
dBm
|
-30
|
|
|
|
|
Loss Hysteresis
|
Pd-Pa
|
dBm
|
0.5
|
|
|
|
Application
- 100GBASE-SR4
- Infiniband QDR/DDR/SDR
- 100G Datacom connections
Standards
- Compliant with IEEE 802.3ba
- Compliant with QSFP28 MSA hardware specifications
- Compliant with RoHS
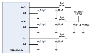
Recommended Power Supply Filter

Order information
|
Part Number
|
Description
|
|
BD-QSFP28-SR4
|
QSFP28 SR4 100m OM4, 0~70℃, with Digital Diagnostic Monitor
|