Features
¨ Simplex LC Connector Bi-Directional SFP+ Optical Transceiver
¨ Compliant with SFF-8431,SFF-8432 and IEE802.3ae
¨ Up to 10km on 9/125um SMF
¨ Two types:
A:1270nm DFB Laser transmitter,1330nm receiver
B:1330nm DFB Laser transmitter,1270nm receiver
¨ Digital Diagnostic SFF-8472 Compliant
¨ Operating case temperature 0 ~ 70 °C
¨ RoHS6 compliant (lead free)
Applications
¨ 10GBASE-LR at 10.3125Gbps
¨ Other Optical Links
Product description
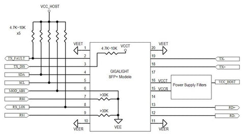
The BDTRX837L1SN-10 & BDTRX873L1SN-10 series single mode transceiver is small form factor pluggable module for duplex optical data communications such as 10GBASE-LR/LW defined by IEEE 802.3ae. It is with the SFP+ 20-pin connector to allow hot plug capability.
The 10G SFP+ module BDTRX873L1SN-10 is designed for single mode fiber and operates at a nominal wavelength of 1270nm; BDTRX837L1SN-10 module is designed for single mode fiber and operates at a nominal wavelength of 1330nm. The transmitter section uses a multiple quantum well DFB, which is class 1 laser compliant according to International Safety Standard IEC-60825.
The receiver section uses an integrated InGaAs detector preamplifier (IDP) mounted in an optical header and a limiting post-amplifier IC.
Specification
Absolute Maximum Ratings
These values represent the damage threshold of the module. Stress in excess of any of the individual Absolute Maximum Ratings can cause immediate catastrophic damage to the module even if all other parameters are within Recommended Operating Conditions.
|
Parameters
|
Symbol
|
Min.
|
Max.
|
Unit
|
|
Supply Voltage
|
VCC
|
-0.5
|
+3.6
|
V
|
|
Storage Temperature
|
Tc
|
-40
|
+85
|
°C
|
|
Operating Case Temperature
|
Tc
|
0
|
+70
|
°C
|
|
Relative Humidity
|
RH
|
0
|
85
|
%
|
Recommended Operating Conditions
|
Parameter
|
Symbol
|
Min.
|
Typical
|
Max
|
Unit
|
|
Supply Voltage
|
VCC
|
3.0
|
3.3
|
3.6
|
V
|
|
Supply current
|
Icc
|
|
200
|
300
|
mA
|
|
Operating Case Temperature
|
TC
|
0
|
25
|
70
|
°C
|
|
Module Power Dissipation
|
Pm
|
–
|
0.7
|
1.1
|
W
|
Notes:
1. Supply current is shared between VCCTX and VCCRX.
2. In-rush is defined as current level above steady state current requirements.
Optical characteristics (BDTRX873L1SN-10, 1270 DFB & PIN/TIA)
|
Parameter
|
Symbol
|
Min.
|
Typical
|
Max
|
Unit
|
Ref.
|
|
Transmitter
|
|
Optical Wavelength
|
λC
|
1260
|
1270
|
1280
|
nm
|
|
|
Side Mode Suppress Ratio
|
SMSR
|
30
|
|
|
dB
|
|
|
Spectral Width(-20dB)
|
Δλ
|
|
|
1
|
nm
|
|
|
Average Output Power
|
Pop
|
-8.2
|
|
0.5
|
dBm
|
1
|
|
Extinction Ratio
|
ER
|
3.5
|
|
|
dB
|
|
|
Eye Mask
|
|
Compliant with IEEE 802.3
|
|
Transmitter and Dispersion Penalty
|
TDP
|
|
|
3.2
|
dB
|
|
|
Average Power of OFF Transmitter
|
|
|
|
-30
|
dBm
|
|
|
Relative Intensity Noise
|
RIN
|
|
|
-128
|
dB/Hz
|
|
|
Receiver
|
|
Average Receiver Power
|
RSENS
|
|
|
-14.1
|
dBm
|
1,2
|
|
Receiver Overload
|
PMAX
|
|
|
+0.5
|
dBm
|
|
|
Centre Wavelength
|
λC
|
1320
|
|
1340
|
nm
|
|
|
LOS De-Assert
|
LOSD
|
|
|
-15
|
dBm
|
|
|
LOS Assert
|
LOSA
|
-30
|
|
|
dBm
|
|
|
LOS Hysteresis
|
|
0.5
|
|
|
dB
|
|
Notes:
1. Average Receiver Power (Min) is informative and not the principal indicator of signal strength. A received power below this value cannot be compliant.
2. Measured with a PRBS231-1 test pattern @10.3125Gbps, BER≦10-12
Optical characteristics (BDTRX837L1SN-10, 1330 DFB & PIN/TIA)
|
Parameter
|
Symbol
|
Min.
|
Typical
|
Max
|
Unit
|
Ref.
|
|
Transmitter
|
|
Optical Wavelength
|
λC
|
1320
|
1330
|
1340
|
nm
|
|
|
Side Mode Suppress Ratio
|
SMSR
|
30
|
|
|
dB
|
|
|
Spectral Width(-20dB)
|
Δλ
|
|
|
1
|
nm
|
|
|
Average Output Power
|
Pop
|
-8.2
|
|
0.5
|
dBm
|
1,2
|
|
Extinction Ratio
|
ER
|
3.5
|
|
|
dB
|
|
|
Eye Mask
|
|
Compliant with IEEE 802.3
|
|
Transmitter and Dispersion Penalty
|
TDP
|
|
|
3.2
|
dB
|
|
|
Average Power of OFF Transmitter
|
|
|
|
-30
|
dBm
|
|
|
Relative Intensity Noise
|
RIN
|
|
|
-128
|
dB/Hz
|
|
|
Receiver
|
|
Average Receiver Power
|
RSENS
|
|
|
-14.1
|
dBm
|
2,3
|
|
Receiver Overload
|
PMAX
|
|
|
+0.5
|
dBm
|
|
|
Centre Wavelength
|
λC
|
1260
|
|
1270
|
nm
|
|
|
LOS De-Assert
|
LOSD
|
|
|
-15
|
dBm
|
|
|
LOS Assert
|
LOSA
|
-30
|
|
|
dBm
|
|
|
LOS Hysteresis
|
|
0.5
|
|
|
dB
|
|
Notes:
1. Output is coupled into a 9/125um SMF.
2. Average Receiver Power (Min) is informative and not the principal indicator of signal strength. A received power below this value cannot be compliant.
3. Measured with a PRBS231-1 test pattern @10.3125Gbps, BER≦10-12

Order information
| Product Model |
Descriptions |
| BDTRX873L1SN-10 |
10G SFP+ module,TX 1270nm/RX 1330nm, 10Gbps, 10km, 0C~+70C |
| BDTRX837L1SN-10 |
10G SFP+ module,TX 1330nm/RX 1270nm, 10Gbps, 10km, 0C ~ +70C |
| BDTRX873L1SN-20 |
10G SFP+ module,TX 1270nm/RX 1330nm, 10Gbps, 20km, 0C~+70C |
| BDTRX837L1SN-20 |
10G SFP+ module,TX 1330nm/RX 1270nm,10Gbps, 20km, 0C~+70C |
Q&A
Question1: Is SFP module compatible with Zyxel, 3Com, Cisco and Huawei?
Answer: No, SFP module is compatible with Zyxel, 3Com and Cisco. For Huawei, it can only be compatible with the old models, because some new devices (such as S6800 series) requires special compatibility code.