Description
Functional Description
Optical fiber transceiver is a transceiver module designed for 40km optical communication applications. The design is compliant to 40GBASE-ER4 of the IEEE P802.3ba standard. The fiber optic transceivers module converts 4 inputs channels (ch) of 10Gb/s electrical data to 4 CWDM optical signals, and multiplexes them into a single channel for 40Gb/s optical transmission. Reversely, on the receiver side, the module optically de-multiplexes a 40Gb/s input into 4 CWDM channels signals, and converts them to 4 channel output electrical data.
The central wavelengths of the 4 CWDM channels are 1271, 1291, 1311 and 1331 nm as members of the CWDM wavelength grid defined in ITU-T G694.2. It contains a duplex LC connector for the optical interface and a 148-pin connector for the electrical interface. To minimize the optical dispersion in the long-haul system, single-mode fiber (SMF) has to be applied in this module.
The transceiver optical is designed with form factor, optical/electrical connection and digital diagnostic interface according to the QSFP+ Multi-Source Agreement (MSA). It has been designed to meet the harshest external operating conditions including temperature, humidity and EMI interference.
PRODUCT FEATURES
- Duplex LC receptacle optical interface
- Single +3.3V power supply
- 4 CWDM lanes MUX/DEMUX design
- Up to 11.2Gb/s data rate per wavelength
- Up to 40km transmission on single mode fiber (SMF)
- Low power dissipation(Max:3.5W)
- Built in digital diagnostic function
- Operating case temperature range:0℃to 70℃
Standards
- Compliant with 40G Ethernet IEEE802.3ba and 40GBASE-ER4 Standard
- Compliant with QSFP+MSA hardware specifications
- Compliant with RoHS
APPLICATIONS
- 40GBASE-ER4 Ethernet Links
- Infiniband QDR and DDR interconnects
- Client-side 40G Telecom connections
Optical Transceiver Modules' Absolute Maximum Ratings
|
Parameter |
Symbol |
Min. |
Typ |
Max. |
Unit |
Note |
|
Storage Temperature |
Tst |
-40 |
|
+85 |
oC |
|
|
Supply Voltage |
Vcc |
-0.5 |
|
+3.6 |
V |
|
|
Relative Humidity |
Rh |
+5 |
|
+95 |
% |
Recommended Operating Conditions
|
Parameter |
Symbol |
Min. |
Typ |
Max. |
Unit |
Note |
|
Operating Case Temperature |
TC |
0 |
- |
+70 |
°C |
|
|
Power Supply Voltage |
VCC |
3.14 |
3.3 |
3.46 |
V |
|
|
Data rate, each Lane |
|
|
10.3125 |
11.2 |
Gb/s |
Specifications
(tested under recommended operating conditions, unless otherwise noted)
|
Parameter |
Symbol |
Min. |
Typ |
Max. |
Unit |
Note |
||||
|
Voltage Supply Electrical Characteristics |
||||||||||
|
Supply Current |
Tx Section |
Icc |
|
1.1 |
|
A |
1 |
|||
|
Rx Section |
||||||||||
|
Total Dissipation Power |
Pw |
|
3.5 |
|
W |
|
||||
|
Module power supply noise tolerance 10 Hz -10 MHz (peak-to-peak) |
PSNR_Mod |
|
66 |
|
mv |
|
||||
|
Module inrush - initialization time |
T_init |
|
2000 |
|
ms |
|
||||
|
Different Signal Electrical Characteristics |
||||||||||
|
Single Ended Data Input Swing |
|
190 |
|
700 |
mV |
|
||||
|
Single Ended Data Output Swing |
|
300 |
|
850 |
mV |
|
||||
|
Differential Signal Output Resistance |
|
90 |
|
110 |
Ω |
|
||||
|
Differential Signal Input Resistance |
|
90 |
|
110 |
Ω |
|
||||
|
3.3V LVTTL Electrical Characteristics |
||||||||||
|
Input High Voltage |
3.3VIH |
|
2.0 |
|
V |
|
||||
|
Input Low Voltage |
3.3VIL |
|
-0.3 |
|
V |
|
||||
|
Input Leakage Current |
3.3IIN |
-10 |
|
+10 |
uA |
|
||||
|
Output High Voltage (IOH=100uA) |
3.3VOH |
Vcc-0.2 |
|
|
V |
|
||||
|
Output Low Voltage (IOL=100uA) |
3.3VOL |
|
|
0.2 |
V |
|
||||
|
Minimum Pulse Width of Control Pin Signal |
t_CNTL |
100 |
|
|
us |
|
||||
|
Optical Transmitter Characteristics |
||||||||||
|
Signaling rate, each lane |
Gb/s |
10.3125 |
|
|
||||||
|
Four Lane Wavelength Range |
λ1 |
1264.5 |
1271 |
1277.5 |
nm |
|
||||
|
λ2 |
1284.5 |
1291 |
1297.5 |
nm |
|
|||||
|
λ3 |
1304.5 |
1311 |
1317.5 |
nm |
|
|||||
|
λ4 |
1324.5 |
1331 |
1337.5 |
nm |
|
|||||
|
Total launch power |
|
|
|
10.5 |
dBm |
|
||||
|
Average launch power, each lane |
Pavg |
-3.7 |
|
+4.5 |
dBm |
2 |
||||
|
Optical modulation amplitude, each lane (OMA)2 |
OMA |
-0.7 |
|
5 |
dBm |
|
||||
|
Difference in launch power between any two lanes (OMA) |
|
|
|
4.7 |
dB |
|
||||
|
Extinction ratio |
ER |
5.5 |
|
|
dB |
|
||||
|
Side-mode suppression ratio |
SMSR |
30 |
|
|
dB |
|
||||
|
Transmitter and dispersion penalty, each lane |
TDP |
|
|
2.2 |
dB |
|
||||
|
Optical return loss tolerance |
|
|
|
20 |
dB |
|
||||
|
Transmitter reflectance3 |
|
|
|
–12 |
dB |
|
||||
|
Transmitter eye mask {X1, X2, X3, Y1, Y2, Y3} |
|
{0.25,0.4,0.45,0.25,0.28,0.4} |
|
|
||||||
|
Optical fiber transceiver' Optical Receiver Characteristics |
||||||||||
|
Receive Rate for Each Lane |
Gb/s |
10.3125 |
|
|
||||||
|
Damage Threshold, each Lane |
THd |
3.8 |
|
|
|
3 |
||||
|
Average Receive Power for Each Lane |
Pin |
-20.2 |
|
-1.5 |
dBm |
4, 5 |
||||
|
Receive Power In OMA for Each Lane |
PinOMA |
|
|
-1 |
dBm |
|
||||
|
Difference in Receive Power in OMA between Any Two Lanes |
|
|
|
5.5 |
dBm |
|
||||
|
Receiver Sensitivity in OMA for Each Lane |
SOMA |
|
|
-18 |
dBm |
6 |
||||
|
Stressed Receiver Sensitivity in OMA for Each Lane |
|
|
|
-15.8 |
dBm |
7, 8 |
||||
|
LOS Assert |
|
-35 |
|
|
dBm |
|
||||
|
LOS Deassert |
|
|
|
-20 |
dBm |
|||||
Optical fiber transceiver's note:
1. The supply current includes QSFP+module’s supply current and test board working current.
2.. Average launch power, each lane (min) is informative for 40GBase-ER4, not the principal indicator of signal strength.
3. The receiver shall be able to tolerate , without damage, continuous exposure to anoptical input signal having this average power level
4. The fiber optic transceivers' average receive power , each lane (max) for 40GBASE-ER4 is larger than the40GBASE-LR4 transmitter value to allow compatibility with40GBASE-LR4 units at short distances
5. Average receive power, each lane (min) is informative and not the principal indicatorof signal strength. A received power below this value cannot be compliant; however, a valueabove this does not ensure compliance
6. Receiver sensitivity (OMA), each lane (max) is informative
7. Measured with conformance test signal at TP3 for BER=10-12
8. conditions of stressed receiver sensitivity test: vertical eye closure penalty for eachlane is 1.8dB;stressed eye J2 jitter for each lane is 0.3UI; stressed eye J9 jitter for each laneis 0.47UI.
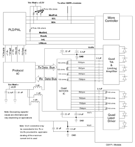
Transceiver Optical's Pin Description
There are 38 contacts intended for high speed signals, low speed signals, power and ground connections. The pin map is shown in Table below.

Table: Pin description
|
Pin |
Logic |
Symbol |
Name/Description |
Notes |
|
1 |
VEET [1] |
|
Transmitter Ground |
|
|
2 |
CML-I |
Tx2n |
Transmitter Inverted Data Input |
10 |
|
3 |
CML-I |
Tx2p |
Transmitter Non-Inverted Data output |
10 |
|
4 |
|
GND |
Ground |
1 |
|
5 |
CML-I |
Tx4n |
Transmitter Inverted Data Input |
10 |
|
6 |
CML-I |
Tx4p |
Transmitter Non-Inverted Data output |
10 |
|
7 |
|
GND |
Ground |
1 |
|
8 |
LVTLL-I |
ModSelL |
Module Select |
3 |
|
9 |
LVTLL-I |
ResetL |
Module Reset |
4 |
|
10 |
|
VccRx |
+3.3V Power Supply Receiver |
2 |
|
11 |
LVCMOS-I/O |
SCL |
2-Wire Serial Interface Clock |
5 |
|
12 |
LVCMOS-I/O |
SDA |
2-Wire Serial Interface Data |
5 |
|
13 |
|
GND |
Ground |
1 |
|
14 |
CML-O |
Rx3p |
Receiver Non-Inverted Data Output |
9 |
|
15 |
CML-O |
Rx3n |
Receiver Inverted Data Output |
9 |
|
16 |
|
GND |
Ground |
1 |
|
17 |
CML-O |
Rx1p |
Receiver Non-Inverted Data Output |
9 |
|
18 |
CML-O |
Rx1n |
Receiver Inverted Data Output |
9 |
|
19 |
|
GND |
Ground |
1 |
|
20 |
|
GND |
Ground |
1 |
|
21 |
CML-O |
Rx2n |
Receiver Inverted Data Output |
9 |
|
22 |
CML-O |
Rx2p |
Receiver Non-Inverted Data Output |
9 |
|
23 |
|
GND |
Ground |
1 |
|
24 |
CML-O |
Rx4n |
Receiver Inverted Data Output |
9 |
|
25 |
CML-O |
Rx4p |
Receiver Non-Inverted Data Output |
9 |
|
26 |
|
GND |
Ground |
1 |
|
27 |
LVTTL-O |
ModPrsL |
Module Present |
6 |
|
28 |
LVTTL-O |
IntL |
Interrupt |
7 |
|
29 |
|
VccTx |
+3.3 V Power Supply transmitter |
2 |
|
30 |
|
Vcc1 |
+3.3 V Power Supply |
2 |
|
31 |
LVTTL-I |
LPMode |
Low Power Mode |
8 |
|
32 |
|
GND |
Ground |
1 |
|
33 |
CML-I |
Tx3p |
Transmitter Non-Inverted Data Input |
10 |
|
34 |
CML-I |
Tx3n |
Transmitter Inverted Data Output |
10 |
|
35 |
|
GND |
Ground |
1 |
|
36 |
CML-I |
Tx1p |
Transmitter Non-Inverted Data Input |
10 |
|
37 |
CML-I |
Tx1n |
Transmitter Inverted Data Output |
10 |
|
38 |
|
GND |
Ground |
1 |
Transceiver optical's note
1: GND is the symbol for signal and supply (power) common for the module. All are common within the module and all module voltages are referenced to this potential unless otherwise noted. Connect these directly to the host board
signal-common ground plane.
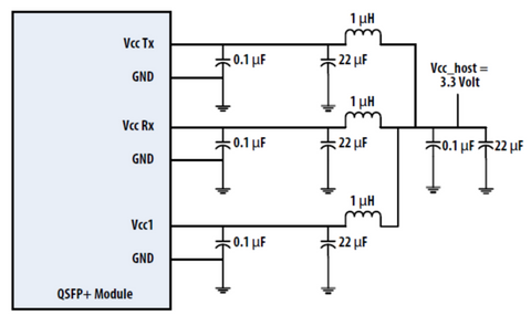
2: Vcc Rx, Vcc1 and Vcc Tx shall be applied concurrently. Vcc Rx Vcc1 and Vcc Tx may be internally connected within the module in any combination. The connector pins are each rated for a maximum current of 1000 mA. Recommended host board power supply filtering is shown below .
3: The ModSelL is an input pin. When held low by the host, the module responds to 2-wire serial communication commands. The ModSelL allows the use of multiple modules on a single 2-wire interface bus. When the ModSelL is "High", the module shall not respond to or acknowledge any 2-wire interface communication from the host. ModSelL signal input node shall be biased to the "High" state in the module. In order to avoid conflicts, the host system shall not attempt 2-wire interface communications within the ModSelL de-assert time after any modules are deselected. Similarly, the host shall wait at least for the period of the ModSelL assert time before communicating with the newly selected module. The assertion and de-asserting periods of different modules may overlap as long as the above timing requirements are met.
4: The ResetL pin shall be pulled to Vcc in the module. A low level on the ResetL pin for longer than the minimum pulse length (t_Reset_init) initiates a complete module reset, returning all user module settings to their default state. Module Reset Assert Time (t_init) starts on the rising edge after the low level on the ResetL pin is released. During the execution of a reset (t_init) the host shall disregard all status bits until the module indicates a completion of the reset interrupt. The optical transceiver modules indicate this by asserting "low" an IntL signal with the Data_Not_Ready bit negated. Note that on power up (including hot insertion) the module should post this completion of reset interrupt without requiring a reset.
5: Low speed signaling other than SCL and SDA is based on Low Voltage TTL (LVTTL) operating at Vcc. Vcc refers to the generic supply voltages of VccTx, VccRx, Vcc_host or Vcc1.Hosts shall use a pull-up resistor connected to Vcc_host on each of the 2-wire interface SCL (clock), SDA (data), and all low speed status outputs. The SCL and SDA is a hot plug interface that may support a bus topology.
6: ModPrsL is pulled up to Vcc_Host on the host board and grounded in the module. The ModPrsL is asserted "Low" when inserted and deasserted "High" when the module is physically absent from the host connector.
7: IntL is an output pin. When IntL is "Low", it indicates a possible module operational fault or a status critical to the host system. The host identifies the source of the interrupt using the 2-wire serial interface. The IntL pin is an open collector output and shall be pulled to host supply voltage on the host board. The INTL pin is deasserted "High" after completion of reset, when byte 2 bit 0 (Data Not Ready) is read with a value of '0' and the flag field is read (see SFF-8636).
8: The LPMode pin shall be pulled up to Vcc in the module. The pin is a hardware control used to put modules into a low power mode when high. By using the LPMode pin and a combination of the Power_override, Power_set and
High_Power_Class_Enable software control bits (Address A0h, byte 93 bits 0,1,2), the host controls how much power a module can dissipate.
9: Rx(n)(p/n) are module receiver data outputs. Rx(n)(p/n) are AC-coupled 100 Ohm differential lines that should be terminated with 100 Ohm differentially at the Host ASIC(SerDes). The AC coupling is inside the module and not required on the Host board. For operation at 28 Gb/s the relevant standards (e.g., OIF CEI v3.1) define the signal requirements on the high-speed differential lines. For operation at lower rates, refer to the relevant standards.
10: Due to the possibility of insertion of legacy QSFP and QSFP+ modules into a host designed for higher speed operation, it is recommended that the damage threshold of the host input be at least 1600 mV peak to peak differential. Output squelch for loss of optical input signal, hereafter Rx Squelch, is required and shall function as follows. In the event of the optical signal on any channel becoming equal to or less than the level required to assert LOS, then the receiver data output for that channel shall be squelched or disabled. In the squelched or disabled state output impedance levels are maintained while the differential voltage swing shall be less than 50 mVpp. In normal operation the default case has Rx Squelch active. Rx Squelch can be deactivated using Rx Squelch Disable through the 2-wire serial interface. Rx Squelch Disable is an optional function. For specific details refer to SFF-8636.
11: Tx(n)(p/n) are module transmitter data inputs. They are AC-coupled 100 Ohm differential lines with 100 Ohm differential terminations inside the module. The AC coupling is inside the module and not required on the Host board. For operation at 28 Gb/s the relevant standards (e.g., OIF CEI v3.1) define the signal requirements on the high-speed differential lines. For operation at lower rates, refer to the relevant standards. Due to the possibility of insertion of modules into a host designed for lower speed operation, the damage threshold of the module input shall be at least 1600 mV peak to peak differential. Output squelch, hereafter Tx Squelch, for loss of input signal, hereafter Tx LOS, is an optional function. Where implemented it shall function as follows. In the event of the differential, peak-to-peak electrical signal on any channel becomes less than 50 mVpp, then the transmitter optical output for that channel shall be squelched or disabled and the associated TxLOS flag set. Where squelched, the transmitter OMA shall be less than or equal to -26 dBm and when disabled the transmitter power shall be less than or equal to -30 dBm. For applications, e.g. Ethernet, where the transmitter off condition is defined in terms of average power, disabling the transmitter is recommended and for applications, e.g. InfiniBand, where the transmitter off condition is defined in terms of OMA, squelching the transmitter is recommended. In module operation, where Tx Squelch is implemented, the default case has Tx Squelch active. Tx Squelch can be deactivated using Tx Squelch Disable through the 2-wire serial interface. Tx Squelch Disable is an optional function. For specific details refer to SFF- 8636.
Optical Fiber Transceiver's Recommended HOST BOARD SCHEMATIC

Optical fiber transceiver's Recommended Power Supply Filter

Transceiver Optical's Mechanical Diagram

Fiber Optic Transceivers' Ordering Information
|
Part Number |
Description |
|
BD-QSFP -CD40 |
QSFP+ ER4 ,40G 40KM DDM |
Payment & Security
Your payment information is processed securely. We do not store credit card details nor have access to your credit card information.
