Description
Functional Description
QSFP28 LR4 optical fiber transceiver integrates the transmit and receive path onto one module. On the transmit side, four lanes of serial data streams are recovered, retimed,and passed on to four laser drivers, which control four electric-absorption modulated lasers (EMLs) with 1296, 1300, 1305, and 1309 nm center wavelengths. The optical signals are then multiplexed into a single-mode fiber through an industry-standard LC connector. On the receive side, four lanes of optical data streams are optically demultiplexed by an integrated optical demultiplexer. Each data steam is recovered by a PIN photodetector and transimpedance amplifier, retimed, and passed on to an output driver. This module features a hot-pluggable electrical interface, low power consumption, and 2-wire serial interface.
Optical Transceiver Modules' Product Features
- Duplex LC receptacle optical interface
- Single +3.3V power supply
- Hot-pluggable QSFP28 MSA form factor
- 4x25G Electrical Serial Interface
- Compliant with 4x28G(CEI-28G-VSR)
- AC coupling of CML signals
- Transmitter: cooled 4x25Gb/s LAN WDM EML TOSA (1295.56, 1300.05, 1304.58, 1309.14nm)
- Receiver: 4x25Gb/s PIN ROSA
- Low power dissipation(Max:6W)
- Built in digital diagnostic function
- Operating case temperature range: 0℃ to 70℃
- Compliant with 100GBASE-LR4
- I2C Communication Interface
Applications
- 100GBASE-LR4
- Infiniband QDR and DDR interconnects
- 100G Datacom connections
Standards
- Compliant with IEEE 802.3ba
- Compliant with QSFP28 MSA hardware specifications
- Compliant with RoHS
Functional Diagram

QSFP28 LR4 Optical Fiber Transceiver's Absolute Maximum Ratings
|
Parameter |
Symbol |
Min. |
Max. |
Unit |
Note |
|
Supply Voltage |
Vcc |
-0.5 |
3.6 |
V |
|
|
Storage Temperature |
TS |
-40 |
85 |
°C |
|
|
Relative Humidity |
RH |
0 |
85 |
% |
|
|
Rx Damage Threshold,per Lane |
PRdmg |
5.5 |
|
dBm |
Note: Stress in excess of the maximum absolute ratings can cause permanent damage to the transceiver.
Recommended Operating Conditions
|
Parameter |
Symbol |
Min. |
Typ |
Max. |
Unit |
Note |
|
Data Rate |
DR |
|
103.1 |
|
Gb/s |
|
|
Supply Voltage |
Vcc |
3.14 |
3.3 |
3.47 |
V |
|
|
Supply Current |
Icc |
|
|
1.8 |
A |
|
|
Operating Case Temp. |
Tc |
0 |
|
70 |
°C |
Electrical Characteristics (Top=0~70℃, Vcc=3.14~3.47V)
(Tested under recommended operating conditions,unless otherwise noted)
|
Parameter |
Symbol |
Min |
Typ |
Max |
Unit |
Notes |
||||
|
Transmitter |
||||||||||
|
Signaling rate per lane |
DRPL |
25.78125 ± 100 ppm |
Gb/s |
|
||||||
|
Differential input return loss (min) |
RLd(f) |
9.5 – 0.37f, 0.01≤f<8 4.75 – 7.4log10(f/14), 8 ≤f<19 |
dB |
|
||||||
|
Differential to common mode input return loss (min) |
RLdc(f) |
22-20(f/25.78), 0.01≤f<12.89 15-6(f/25.78), 12.89≤f<19
|
dB |
|
||||||
|
Differential termination mismatch |
Tm |
|
|
10 |
% |
|
||||
|
Eye width |
Ew |
|
|
0.46 |
UI |
|
||||
|
Applied pk-pk sinusoidal jitter |
Ppj |
Per IEEE 802.3bm |
|
|
||||||
|
Eye height |
Eh |
|
95 |
|
mV |
|
||||
|
DC common mode voltage |
DCv |
-350 |
|
2850 |
mV |
|
||||
|
Receiver |
||||||||||
|
Signaling rate per lane |
DRPL |
25.78125 ± 100 ppm |
Gb/s |
|
||||||
|
Differential data output swing |
Vout,pp |
400 |
|
800 |
mV |
|
||||
|
Eye width |
Ew |
0.57 |
|
|
UI |
|
||||
|
Vertical eye closure |
|
|
|
5.5 |
dB |
|
||||
|
Differential output return loss (min) |
RLd(f) |
9.5 – 0.37f, 0.01≤f<8 4.75 – 7.4log10(f/14), 8 ≤f<19
|
dB |
|
||||||
|
Common to differential mode conver- sion return loss (min)
|
RLdc(f) |
22-20(f/25.78), 0.01≤f<12.89 15-6(f/25.78), 12.89≤f<19
|
dB |
|
||||||
|
Differential termination mismatch |
Tm |
|
|
10 |
% |
|
||||
|
Transition time, 20% to 80% |
Tr,Tf |
12 |
|
|
ps |
|||||
QSFP28 LR4 Optical Fiber Transceiver's Notes:
1.20%~80%
Optical Transceiver Modules' Optical Characteristics (Top=0~70℃, Vcc=3.14~3.47V)
(Tested under recommended operating conditions,unless otherwise noted)
|
Parameter |
Symbol |
Unit |
Min |
Typ |
Max |
Notes |
||||
|
Transmitter |
||||||||||
|
Signaling rate, each lane |
|
Gb/s |
25.78125 ±100 ppm |
1 |
||||||
|
Four Lane Wavelength Range |
λ1 |
nm |
1294.53 |
1295.56 |
1296.59 |
|
||||
|
λ2 |
1299.02 |
1300.05 |
1301.09 |
|
||||||
|
λ3 |
1303.54 |
1304.58 |
1305.63 |
|
||||||
|
λ4 |
1308.09 |
1309.14 |
1310.19 |
|
||||||
|
Total launch power |
Pout |
dBm |
|
|
10.5 |
|
||||
|
Average launch power, each lane |
Pavg |
dBm |
-4.5 |
|
4.5 |
2,7 |
||||
|
Optical modulation amplitude, each lane (OMA) |
OMA |
dBm |
-1.3 |
|
4.5 |
|
||||
|
Extinction ratio |
ER |
dB |
4 |
|
|
|
||||
|
Side-mode suppression ratio |
SMSR |
dB |
30 |
|
|
|
||||
|
Average launch power of OFF transmitter, per lane |
POFF |
dBm |
|
|
-30 |
|
||||
|
Optical return loss tolerance |
|
dB |
|
|
20 |
|
||||
|
Transmitter reflectance |
|
dB |
|
|
–12 |
|
||||
|
Transmitter eye mask {X1, X2, X3, Y1, Y2, Y3} |
|
|
{0.25, 0.4, 0.45, 0.25, 0.28, 0.4} |
3 |
||||||
|
Receiver |
||||||||||
|
Receive Rate for Each Lane |
|
Gb/s |
25.78125 ±100 ppm |
4 |
||||||
|
Four Lane Wavelength Range |
λ1 |
nm |
1294.53 |
1295.56 |
1296.59 |
|
||||
|
λ2 |
1299.02 |
1300.05 |
1301.09 |
|
||||||
|
λ3 |
1303.54 |
1304.58 |
1305.63 |
|
||||||
|
λ4 |
1308.09 |
1309.14 |
1310.19 |
|
||||||
|
Overload Input Optical Power |
Pmax |
dBm |
5.5 |
|
|
|
||||
|
Average Receive Power for Each Lane |
Pin |
dBm |
-10.6 |
|
4.5 |
5,7 |
||||
|
Receiver Sensitivity(OMA)per lane |
Psens1 |
dBm |
|
|
-10.6 |
|
||||
|
Stressed Sensitivity(OMA) per lane |
Psens2 |
dBm |
|
|
-6.8 |
6 |
||||
|
Return Loss |
RL |
dB |
-26 |
|
|
|
||||
|
Receiver Electrical 3dB upper cutoff frequency, per lane |
|
GHz |
|
|
31 |
|
||||
|
Los De-Assert |
Pd |
dBm |
|
|
-11.6 |
|
||||
|
Los Assert |
Pa |
dBm |
-23.6 |
|
|
|
||||
|
Loss Hysteresis |
Pd-Pa |
dBm |
|
2 |
|
|||||
Notes:
- Transmitter consists of 4 lasers operating at 25.78Gb/s each.
- Minimum value is informative.
- Hit ratio 5x10-5.
- Receiver consists of 4 photodetectors operating at 25.78Gb/s each.
- Minimum value is informative, equals min TxOMA with infinite ER and max channel insertion loss.
- SRS is measured with vertical eye closure penalty of 1.8 dB max, J2 of 0.30 UI, and J9 of 0.47 UI.
- Power value and power accuracy are with all channels on.
QSFP28 LR4 Optical Fiber Transceiver's Pin Description

|
Pin |
Name |
Logic |
Description |
|
|
1 |
GND |
|
Ground |
1 |
|
2 |
Tx2n |
CML-I |
Transmitter Inverted Data Input |
10 |
|
3 |
Tx2p |
CML-I |
Transmitter Non-Inverted Data Input |
10 |
|
4 |
GND |
|
Ground |
1 |
|
5 |
Tx4n |
CML-I |
Transmitter Inverted Data Input |
10 |
|
6 |
Tx4p |
CML-I |
Transmitter Non-Inverted Data Input |
10 |
|
7 |
GND |
|
Ground |
1 |
|
8 |
ModSelL |
LVTTL-I |
Module Select |
3 |
|
9 |
ResetL |
LVTTL-I |
Module Reset |
4 |
|
10 |
Vcc Rx |
|
+3.3V Power Supply Receiver |
2 |
|
11 |
SCL |
LVCMOS-I/O |
2-wire serial interface clock |
5 |
|
12 |
SDA |
LVCMOS-I/O |
2-wire serial interface data |
5 |
|
13 |
GND |
|
Ground |
1 |
|
14 |
Rx3p |
CML-O |
Receiver Non-Inverted Data Output |
9 |
|
15 |
Rx3n |
CML-O |
Receiver Inverted Data Output |
9 |
|
16 |
GND |
|
Ground |
1 |
|
17 |
Rx1p |
CML-O |
Receiver Non-Inverted Data Output |
9 |
|
18 |
Rx1n |
CML-O |
Receiver Inverted Data Output |
9 |
|
19 |
GND |
|
Ground |
1 |
|
20 |
GND |
|
Ground |
1 |
|
21 |
Rx2n |
CML-O |
Receiver Inverted Data Output |
9 |
|
22 |
Rx2p |
CML-O |
Receiver Non-Inverted Data Output |
9 |
|
23 |
GND |
|
Ground |
1 |
|
24 |
Rx4n |
CML-O |
Receiver Inverted Data Output |
9 |
|
25 |
Rx4p |
CML-O |
Receiver Non-Inverted Data Output |
9 |
|
26 |
GND |
|
Ground |
1 |
|
27 |
ModPrsL |
LVTTL-O |
Module Present |
6 |
|
28 |
IntL |
LVTTL-O |
Interrupt |
7 |
|
29 |
Vcc Tx |
|
+3.3V Power supply transmitter |
2 |
|
30 |
Vcc1 |
|
+3.3V Power supply |
2 |
|
31 |
LPMode |
LVTTL-I |
Low Power Mode |
8 |
|
32 |
GND |
|
Ground |
1 |
|
33 |
Tx3p |
CML-I |
Transmitter Non-Inverted Data Input |
10 |
|
34 |
Tx3n |
CML-I |
Transmitter Inverted Data Input |
10 |
|
35 |
GND |
|
Ground |
1 |
|
36 |
Tx1p |
CML-I |
Transmitter Non-Inverted Data |
|
|
37 |
Tx1n |
CML-I |
Transmitter Inverted Data Input |
10 |
|
38 |
GND |
|
Ground |
1 |
Optical Transceiver Modules' Notes:
1: GND is the symbol for signal and supply (power) common for the module. All are common within the module and all module voltages are referenced to this potential unless otherwise noted. Connect these directly to the host board signal-common ground plane.
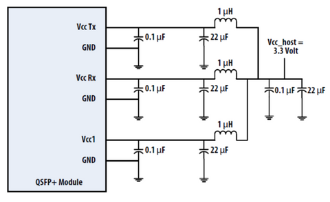
2: Vcc Rx, Vcc1 and Vcc Tx shall be applied concurrently. Vcc Rx Vcc1 and Vcc Tx may be internally connected within the module in any combination. The connector pins are each rated for a maximum current of 1000 mA. Recommended host board power supply filtering is shown below .
3: The ModSelL is an input pin. When held low by the host, the module responds to 2-wire serial communication commands. The ModSelL allows the use of multiple modules on a single 2-wire interface bus. When the ModSelL is "High", the module shall not respond to or acknowledge any 2-wire interface communication from the host. ModSelL signal input node shall be biased to the "High" state in the module. In order to avoid conflicts, the host system shall not attempt 2-wire interface communications within the ModSelL de-assert time after any modules are deselected. Similarly, the host shall wait at least for the period of the ModSelL assert time before communicating with the newly selected module. The assertion and de-asserting periods of different modules may overlap as long as the above timing requirements are met.
4: The ResetL pin shall be pulled to Vcc in the module. A low level on the ResetL pin for longer than the minimum pulse length (t_Reset_init) initiates a complete module reset, returning all user module settings to their default state. Module Reset Assert Time (t_init) starts on the rising edge after the low level on the ResetL pin is released. During the execution of a reset (t_init) the host shall disregard all status bits until the module indicates a completion of the reset interrupt. The module indicates this by asserting "low" an IntL signal with the Data_Not_Ready bit negated. Note that on power up (including hot insertion) the module should post this completion of reset interrupt without requiring a reset.
5: Low speed signaling other than SCL and SDA is based on Low Voltage TTL (LVTTL) operating at Vcc. Vcc refers to the generic supply voltages of VccTx, VccRx, Vcc_host or Vcc1.
Hosts shall use a pull-up resistor connected to Vcc_host on each of the 2-wire interface SCL (clock), SDA (data), and all low speed status outputs. The SCL and SDA is a hot plug interface that may support a bus topology.
6: ModPrsL is pulled up to Vcc_Host on the host board and grounded in the module. The ModPrsL is asserted "Low" when inserted and deasserted "High" when the module is physically absent from the host connector.
7: IntL is an output pin. When IntL is "Low", it indicates a possible module operational fault or a status critical to the host system. The host identifies the source of the interrupt using the 2-wire serial interface. The IntL pin is an open collector output and shall be pulled to host supply voltage on the host board. The INTL pin is deasserted "High" after completion of reset, when byte 2 bit 0 (Data Not Ready) is read with a value of '0' and the flag field is read (see SFF-8636).
8: The LPMode pin shall be pulled up to Vcc in the module. The pin is a hardware control
used to put modules into a low power mode when high. By using the LPMode pin and a combination of the Power_override, Power_set and High_Power_Class_Enable software control bits (Address A0h, byte 93 bits 0,1,2), the host controls how much power a module can dissipate.
9: Rx(n)(p/n) are module receiver data outputs. Rx(n)(p/n) are AC-coupled 100 Ohm differential lines that should be terminated with 100 Ohm differentially at the Host ASIC(SerDes). The AC coupling is inside the module and not required on the Host board. For operation at 28 Gb/s the relevant standards (e.g., OIF CEI v3.1) define the signal requirements on the high-speed differential lines. For operation at lower rates, refer to the relevant standards.
QSFP28 LR4 optical fiber transceiver's note: Due to the possibility of insertion of legacy QSFP and QSFP+ modules into a host
designed for higher speed operation, it is recommended that the damage threshold of the host input be at least 1600 mV peak to peak differential. Output squelch for loss of optical input signal, hereafter Rx Squelch, is required and shall function as follows. In the event of the optical signal on any channel becoming equal to or less than the level required to assert LOS, then the receiver data output for that channel shall be squelched or disabled. In the squelched or disabled state output impedance levels are maintained while the differential voltage swing shall be less than 50 mVpp. In normal operation the default case has Rx Squelch active. Rx Squelch can be deactivated using Rx Squelch Disable through the 2-wire serial interface. Rx Squelch Disable is an optional function. For specific details refer to SFF-8636.
10: Tx(n)(p/n) are module transmitter data inputs. They are AC-coupled 100 Ohm differential lines with 100 Ohm differential terminations inside the module. The AC coupling is inside the module and not required on the Host board. For operation at 28 Gb/s the relevant standards (e.g., OIF CEI v3.1) define the signal requirements on the high-speed differential lines. For operation at lower rates, refer to the relevant standards. Due to the possibility of insertion of modules into a host designed for lower speed operation, the damage threshold of the module input shall be at least 1600 mV peak to peak differential. Output squelch, hereafter Tx Squelch, for loss of input signal, hereafter Tx LOS, is an optional function. Where implemented it shall function as follows. In the event of the differential, peak-to-peak electrical signal on any channel becomes less than 50 mVpp, then the transmitter optical output for that channel shall be squelched or disabled and the associated TxLOS flag set. Where squelched, the transmitter OMA shall be less than or equal to -26 dBm and when disabled the transmitter power shall be less than or equal to -30 dBm. For applications, e.g. Ethernet, where the transmitter off condition is defined in terms of average power, disabling the transmitter is recommended and for applications, e.g. InfiniBand, where the transmitter off condition is defined in terms of OMA, squelching the transmitter is recommended. In module operation, where Tx Squelch is implemented, the default case has Tx Squelch active. Tx Squelch can be deactivated using Tx Squelch Disable through the 2-wire serial interface. Tx Squelch Disable is an optional function. For specific details refer to SFF- 8636.
Optical Transceiver Modules' Recommended Power Supply Filter

Package Dimensions

Ordering Information
|
Part Number |
Description |
|
BD-QSFP28-LR4 |
QSFP28 LR4 10km, 0~70℃, with Digital Diagnostic Monitor |
Payment & Security
Your payment information is processed securely. We do not store credit card details nor have access to your credit card information.
Estimate shipping
Refund Policy
We have a 30-day return policy, which means you have 30 days after receiving your item to request a return.
To be eligible for a return, your item must be in the same condition that you received it, unworn or unused, with tags, and in its original packaging. You’ll also need the receipt or proof of purchase.
To start a return, you can contact us at support@baudcom.com.cn. Please note that returns will need to be sent to the following address: Room 519A, Building A, Lianming Rd 389, Minhang District, Shanghai, China
You can always contact us for any return question at support@baudcom.com.cn.
Damages and issues
Please inspect your order upon reception and contact us immediately if the item is defective, damaged or if you receive the wrong item, so that we can evaluate the issue and make it right.
Exceptions / non-returnable items
Certain types of items cannot be returned, like custom products (such as special orders or personalized items). Please get in touch if you have questions or concerns about your specific item.
Unfortunately, we cannot accept returns on sale items or gift cards.
Exchanges
The fastest way to ensure you get what you want is to return the item you have, and once the return is accepted, make a separate purchase for the new item.
European Union 14 day cooling off period
Notwithstanding the above, if the merchandise is being shipped into the European Union, you have the right to cancel or return your order within 14 days, for any reason and without a justification. As above, your item must be in the same condition that you received it, unworn or unused, with tags, and in its original packaging. You’ll also need the receipt or proof of purchase.
Refunds
We will notify you once we’ve received and inspected your return, and let you know if the refund was approved or not. If approved, you’ll be automatically refunded on your original payment method within 10 business days. Please remember it can take some time for your bank or credit card company to process and post the refund too.
If more than 15 business days have passed since we’ve approved your return, please contact us at info@baudcom.com.cn.
